KE-2070_使用说明书.pdf - 第280页
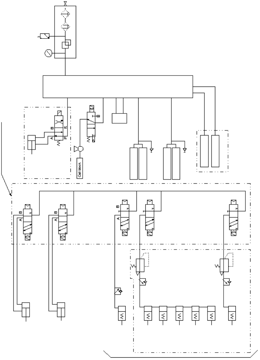
第 1 部 基本编 第 3 章 维护 3-5 (1) 管道系统图 ( 主机 ) θ 12 θ 6 θ 6 θ 6 θ 8 θ 6 θ 6 θ 6 θ 4 θ 4 θ 4 θ 4 θ 4 θ 4 θ 4 θ 4 工程配管 雾分离 压力开关 压力表 复式接头 CVS φ 6 ST=30 ( 排出器 ) 贴片头 单元 干式气缸 20L F 干式气缸 20R F 连接器台 F 干式气缸 20L R 干式气缸 20R R 连接器台 R 统一交换台…

第 1 部 基本编 第 3 章 维护
3-4
1) 请确认没有漏气
1) 主机接通电源后,请选择「手动控制」项目,检查下列各项目的动作状况。
① 基板挡销部
② 夹杆 X、夹杆 Y
③ ATC 单元
④ VCS(附有选项时)
✎
手动控制
✎
在确认各项动作、检查传感器的开/关情况时,执行手动控制模式。
有关手动控制的详细内容,请参见「第 9 章 手动控制」。
2) 如若动作有问题,请参考下页「管道系统图」进行检查。
检查项目
3-2-3 管道及接头
实施频度 :每周
检查内容 检查气压管道部分是否漏气
检查项目
3-2-4 各单元汽缸
实施频度 :每周
检查内容 检查各汽缸的动作
检查漏气
<右側面奥側>
フィンガバルブ
<右侧深处>
销阀
在主画面上选择
后,
显示手动控制模式。

第 1 部 基本编 第 3 章 维护
3-5
(1) 管道系统图(主机)
θ12
θ6
θ6
θ6
θ8
θ6
θ6
θ6
θ4
θ4
θ4
θ4
θ4
θ4
θ4
θ4
工程配管
雾分离
压力开关
压力表
复式接头
CVS
φ6 ST=30
(排出器)
贴片头单元
干式气缸 20L F
干式气缸 20R F
连接器台 F
干式气缸 20L R
干式气缸 20R R
连接器台 R
统一交换台 F
统一交换台 R
带电磁阀的复式接头
传送螺线管
AE/E 阀
AE/E 阀
(仪表接入)
夹杆 Y (x5)
夹杆 X (x5)
过滤器
调节器
(
选项
)
(选项)
挡块
(选项)
(选项)
θ8
ATC
VCS
(选项)

第 1 部 基本编 第 3 章 维护
3-6
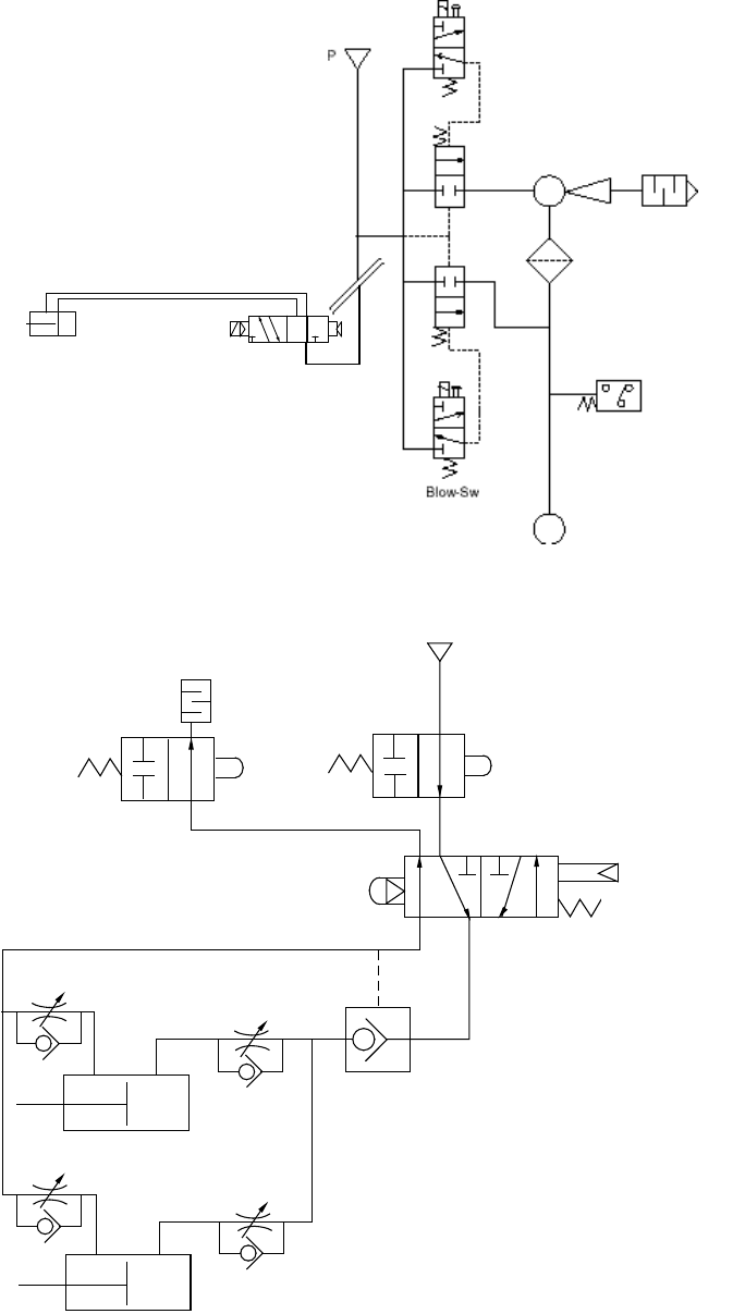
(2)管道系统图(贴片头)
(3)管道系统图(统一更换台,4处通用)
φ6
P
ローラレバー
ローラレバー
セレクタ
パイロットチェック弁
φ6
φ6
φ6
φ6
φ6
HEAD
UP
Vac-Sw
φ8
喷射泵
吸嘴
过滤器
压力传感器
调谐旋钮
先导检查阀
φ6
φ6
φ6
φ6
φ6
滚筒杆
滚筒杆
φ6