IPC-TM-650 EN 2022 试验方法.pdf - 第425页
this resistor is to provide a reference for measuring the cur- rent. Its value should be of the same order of magnitude as that of the conductor under test to minimize scale changes in measurements. 5.2.5 Measurements at…

1.0
Scope
This
method is to comparatively determine the
effects of printed conductor materials, conductor cross sec-
tional measurements, substrate materials, and processes on
the temperature D.C. current characteristics of printed wiring
boards on a standard test sample.
The temperature rise must be given for each conductor mate-
rials for a particular value of current, for a specified conductor
cross sectional area, approximate geometry and substrate
material. The results are reported as a plot of temperature
rises versus current for each of the conductor materials, cross
sectional areas, approximate geometry, and a substrate
material.
2.0
Applicable Documents
ASTM B 193
Conductor
Materials, Electrical, Resistivity of
QQ-S-571
Solder,
Tin Alloy, Tin-lead Alloy, and Lead Alloy
3.0
Test Specimens
Standard
test specimen, see Figure 1
Test Pattern. Only one test pattern may be tested at one time,
with current passing through only one conductor at one time.
4.0 Apparatus
4.1
Potentiometer
(0.02% or better accuracy), Leeds and
Northrup type K3 or equivalent.
4.2 Resistors
(0.1 ohm ± 0.01 ohm) (
Caution:
Do
not use
low voltage because of fluctuation.)
4.3
Current
leads, #12 AWG stranded wire.
4.4
Potential
leads, #26 AWG magnet wire.
4.5
Sn60,
Sn62, or Sn63 solder per Federal Specification
QQ-S-571.
4.6
Temperature
chamber capable of maintaining required
temperatures in specification.
4.7
Thermometer
or other temperature measuring device
suitable for measuring laboratory ambient to the nearest 0.5°C
[0.9°F].
4.8 Apparatus
for performing cross sections.
4.9
A
power supply with range of at least 0-40 volts.
4.10
Digital
Multimeter capable of taking current and voltage
in specification.
5.0
Test
5.1 Preparation
5.1.1
Extraneous
surface coating shall be removed without
affecting the dimensions of the conductor. The sample shall
represent the materials and processes under investigation.
5.1.2
Current
leads shall be secured by soldering to the ter-
minal area. Pretinning of parts prior to soldering is advisable.
5.1.3 Potential
leads shall be secured to the test tabs by
soldering. Pretinning of parts prior to soldering is advisable.
5.1.4
The
ambient air temperature measured at approxi-
mately 101.6 mm [4″] perpendicularly from the center of the
conductor side of the board shall be 25°±5°C [77°±9°F].
The temperature shall be recorded at each measurement.
5.2
Procedure
5.2.1
The test sample shown in Figure 1 shall be suspended
by the four corners, and centrally located within an enclosure
free of forced air movement. The sample shall be so oriented
that the conductors are horizontal.
5.2.2
To
achieve 3-figure significance in temperature rise
measurements, all potentials should be measured accurately
to four significant figures.
5.2.3
The
resistance of the conductor at the reference tem-
perature (R
t
1
)
should be determined with a test current not to
exceed 100 milliamperes applied for as short a time as pos-
sible. (
Caution:
Do
not use low voltage because of fluctua-
tion.)
5.2.4
Pass
the conductor current through an external series
resistor (R
s
)
having a maximum temperature coefficient of
resistance of 0.00002 per degree C at 25°C. The function of
The
Institute for Interconnecting and Packaging Electronic Circuits
2215 Sanders Road • Northbrook, IL 60062
IPC-TM-650
TEST
METHODS MANUAL
Number
2.5.4.1
Subject
Conductor
Temperature Rise Due to Current
Changes in Conductors
Date
8/97
Revision
A
Originating Task Group
N/A
Material
in this Test Methods Manual was voluntarily established by Technical Committees of the IPC. This material is advisory only
and its use or adaptation is entirely voluntary. IPC disclaims all liability of any kind as to the use, application, or adaptation of this
material. Users are also wholly responsible for protecting themselves against all claims or liabilities for patent infringement.
Equipment referenced is for the convenience of the user and does not imply endorsement by the IPC.
P
age1of3
电子技术应用 www.ChinaAET.com

this
resistor is to provide a reference for measuring the cur-
rent. Its value should be of the same order of magnitude as
that of the conductor under test to minimize scale changes in
measurements.
5.2.5
Measurements
at specific currents are to be made
after thermal stabilization. The elapsed time between these
two measurements should be as small as possible.
5.2.6
Measure
the voltage drops across the external series
resistor and the test section of the current carrying conductor
(R).
5.3
Evaluation
5.3.1
The
value of the temperature coefficient of resistance
(α) shall have been determined and identified. Temperature
coefficients for various electrical conductor materials are given
in American Society for Testing Materials-B193-65.
5.3.2
When
the temperature coefficient of resistance of the
conductor is unknown, it may be determined by measuring
the resistance of the conductor at different oven tempera-
tures, and calculated by the formula:
α
t
1
=
R
t
2
–R
t
1
R
t
1
(t
2
–t
1
)
and
adjusted to the desired ambient temperature by:
α
t
=
1
1
α
t
1
+(t–t
1
)
5.3.3
Determine
the cross sectional area of the conductor
under test by use of the formula for volume resistivity.
p
v
=
A
L
R
where p
v
=
volume resistivity in ohm-circular mil/ft
A = cross sectional area in circular mils
L = gage length, used to determine R in feet
R = measured resistance in ohms (R
t
1
,
see
calculations)
A =
p
v
L
R
where p
v
=
11,529 ohm cir mil/ft @ 25°C for 1/2 oz. of
copper
= 10.827 ohm cir mil/ft @ 25°C for 1 oz. and over
L = 0.5 ft. (Fig. 1 - test pattern)
A = Are in cir mils.
A x 0.7854 = Area in square mils
5.4
Calculations
The
temperature rise of a conductor is
determined by measuring the change in resistance of the test
length of conductor and using the relationship.
R
t
= R
t
1
[1 +α
t
1
(t–t
1
)]
R
t
=
Resistance of conductor at the desired current.
R
t
=
Resistance of conductor at reference temperature (t
1
).
α
t
1
=
Temperature coefficient of resistance of conductor at
reference temperature (t
1
).
t
1
= Reference temperature; that ambient temperature at
which R
t1
was
measured.
The following relationship can be derived from the foregoing
using voltage drops:
∆
t
=
1
α
t
1
[
R
t
R
t
1
–1
]
R
t
=
E
R
t
R
S
E
S
t
∆
t
=
1
α
t
1
[
R
R
1
E
S
t
R
S
R
t
1
–1
]
=
1
α
t
1
[
E
R
t
E
S
t
E
S
t
1
E
R
t
1
–1
]
E
R
t
=
Voltage drop across test conductor at the desired cur-
rent.
E
R
t
1
=
Voltage drop across test conductor at the reference
current.
E
S
t
=
Voltage drop across the external series resistor at the
desired current.
E
S
t
1
=
Voltage drop across the external series resistor at the
reference current.
R
s
=
Resistance of external series resistor.
R
t
1
=
Resistance of test conductor at the reference tempera-
ture. Determined by measuring voltage drop with less
than 100 mA current passing through conductor and
determined from
R
t
1
=
E
R
t
1
l
1
where
i
1
=
E
S
t
1
R
S
IPC-TM-650
Number
2.5.4.1
Subject
Conductor
Temperature Rise Due to Current Changes in
Conductors
Date
8/97
Revision
A
P
age2of3
电子技术应用 www.ChinaAET.com

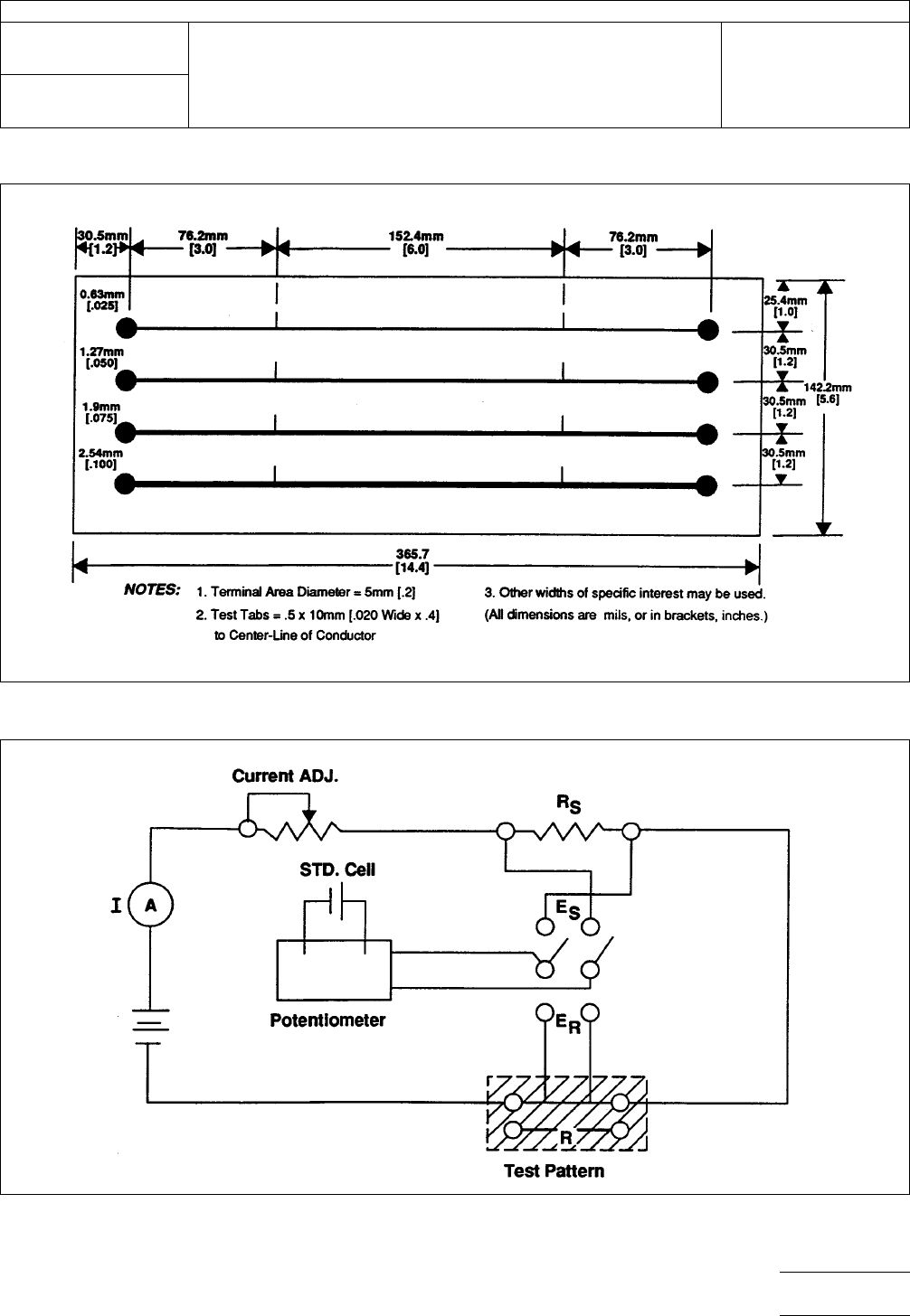
IPC-2541-1
Figure
1 Test Pattern
IPC-2541-2
Figure
2 Test Circuit
IPC-TM-650
Number
2.5.4.1
Subject
Conductor
Temperature Rise Due to Current Changes in
Conductors
Date
8/97
Revision
A
P
age3of3
电子技术应用 www.ChinaAET.com