IPC-TM-650 EN 2022 试验方法.pdf - 第791页
4.3 A circuit monitor capable of supplying a continuous cur- rent of 100 milliamperes and of detecting discontinuities in this current >1 microsecond. 5.0 Procedure 5.1 Calibration 5.1.1 The shock machine shall be set…

1.0 Scope
1.1
To determine the effect on the connector of the stresses
produced by transient acceleration or deceleration forces
resulting from handing, transportation, or field operation.
2.0 Reference Documents
2.1
Information in this section is intended to parallel the test
method described in EIA-RS-364/TP-27.
3.0 Test Specimen
3.1
A connector (plug and receptacle) complete with appli-
cable guide, keying, and engaging hardware or a card- edge
receptacle and mating nominal-thickness printed circuit
board.
3.2 Mounting and Termination
3.2.1 Right Angle, Two-Piece Connector
The receptacle
shall be mounted and terminated normally during this test;
receptacles designed for mounting on non-rigid bases (e.g.,
motherboards, metal-plate back panels, etc.) shall be
mounted on the smallest section of such a base that will
accommodate the test specimen. The plug shall be termi-
nated normally during the test and shall be mounted on a
nominal-thickness printed circuit board extending the full
width of the plug; the board shall extend a minimum of four
inches from the receptacle when the connector is mated.
3.2.2 Card-Edge Receptacle The receptacle shall be
mounted and terminated normally during this test (see 3.2.1).
The mating printed circuit board shall extend the full width of
the receptacle and shall extend a minimum of four inches from
the receptacle when mated.
3.2.3 Parallel, Two-Piece Connector The receptacle and
plug shall be terminated normally during this test; both com-
ponents shall be mounted on nominal-thickness printed circuit
boards extending the full width of each. The printed circuit
boards shall extend a minimum of four inches from each com-
ponent when the connector is mated.
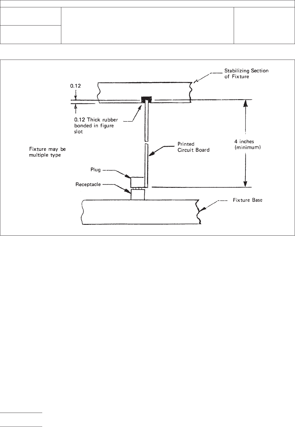
3.3 Fixturing
3.3.1 Right Angle Connector
The test specimen shall be
held in an adequate resonant free fixture. (Figure 1, Reference
Example.)
3.3.2 Parallel Connector The test specimen shall be held
in an adequate resonant free fixture. (Figure 2, Reference
Example.)
3.4 The connector shall be wire (or printed circuit boards)
designed such that a continuous electrical circuit (comprising
all contacts in series) is formed when the plug (or board) and
receptacle are mated.
4.0 Apparatus
4.1
A shock machine capable of producing the specified
input shock pulse as shown in Figures 3 and 4. The machine
may be of a free- or accelerated-fall, resilient rebound, non-
resilient, hydraulic or pneumatic actuated, or other type.
4.2 A shock measurement system consisting of an accelera-
tion sensitive transducer (accelerometer) and appropriate
impedance matching, amplifying and recording instrumenta-
tion. The entire system shall exhibit a frequency response
within the limits shown in Figure 5.
4.2.1 A piezoelectric accelerometer used as the transducer
shall have a minimum fundamental resonant frequency of 14
KHz (a resonant frequency >30 KHz is recommended). For
suitable low frequency response, the RC time constant of the
accelerometer and its load shall be
RC >0.2 where: R – load resistance (ohms)
C – accelerometer capacitance, plus
shunt capacitance of the load and
the inter-connecting cable (farads)
4.2.2 A strain gage accelerometer used as the transducer
shall have a minimum undamped natural frequency >1500 Hz,
with damping from 0.64 to 0.70 of critical.
2215 Sanders Road
Northbrook, IL 60062-6135
IPC-TM-650
TEST METHODS MANUAL
Number
3.8
Subject
Mechanical Shock, Connectors
Date
7/75
Revision
A
Originating Task Group
N/A
Material in this Test Methods Manual was voluntarily established by Technical Committees of the IPC. This material is advisory only
and its use or adaptation is entirely voluntary. IPC disclaims all liability of any kind as to the use, application, or adaptation of this
material. Users are also wholly responsible for protecting themselves against all claims or liabilities for patent infringement.
Equipment referenced is for the convenience of the user and does not imply endorsement by the IPC.
Page1of5
ASSOCIATION CONNECTING
ELECTRONICS INDUSTRIES

4.3 A circuit monitor capable of supplying a continuous cur-
rent of 100 milliamperes and of detecting discontinuities in this
current >1 microsecond.
5.0 Procedure
5.1 Calibration
5.1.1
The shock machine shall be set up to provide an
acceleration waveform conforming to Table I and Figure 3 or
4 as specified in the individual connector specification; if a
specific waveform is not specified, the terminal peak sawtooth
waveform shall be used.
5.1.2 The fixtured test sample or a suitable dummy load
shall be mounted on the shock machine during the calibration
procedure. Any dummy load shall have the same mass and
center of gravity as that of the test sample and shall be fix-
tured in a similar manner (a reject connector provides an ideal
dummy load).
1
For half-sine pulse of less than 3 milliseconds duration, it is
not required that the envelope fall within the tolerances speci-
fied in Figure 3. The faired (smoothed) amplitude of the mea-
sured pulse shall be within ± 20 percent of the ideal ampli-
tude. The measured duration shall be within ± 15 percent of
the specified duration. The velocity change of the faired pulse
shall be within ± 10% of the ideal change. The duration of the
pulse shall be measured at the 0.1A point on the pulse; the
base line duration of the pulse shall be calculated as the dura-
tion measured at the 0.1A point divided by 0.94. (For toler-
ance limits for measuring system frequency response see Fig-
ure 5.)
NOTE: The oscillogram should include a time about 3D long
with the pulse located approximately in the center. The inte-
gration to determine velocity change should extend from 0.4D
before the pulse to 0.1D beyond the pulse. The acceleration
amplitude of the ideal half sine pulse is A and its duration is D.
Any measured acceleration pulse which can be contained
between the broken line boundaries is a nominal half sine
pulse of nominal amplitude A and nominal duration D. The
IPC-3-8-1
Figure 1 Right Angle Connector Fixture (Suggested)
IPC-TM-650
Number
3.8
Subject
Mechanical Shock, Connectors
Date
7/75
Revision
A
Page2of5

velocity-change associated with the measured acceleration
pulse is V.
5.1.3 The monitoring transducer shall be mounted on the
test fixture immediately adjacent to the test specimen or
dummy load. Two consecutive shock applications to the cali-
bration load shall produce acceleration waveforms that fall
within the appropriate tolerance envelope; in addition, graphi-
cal integration of each recorded pulse shall indicate a velocity
change within 10% of the value specified in Table 1.
5.2 Test
5.2.1
The dummy load shall be replaced with the actual test
sample.
NOTE:
If all conditions, other than this substitution, remain
the same, the resulting test waveform shall be considered
satisfactory even though it may not conform to Figures 3 or 4,
as appropriate.
IPC-3-8-2
Figure 2 Parallel Connector Fixture (Suggested)
Table I
Test Conditions
Test
Condition
Peak
Acceleration
A-Gravity
Units
Nominal
Duration
D-Milli-
seconds Waveform
Velocity
Change
Vi
(G-MS)
A 50 11 Half-sine 350.30
B 75 6 Half-sine 286.62
C 100 6 Half-sine 382.16
D 500 1
1
Half-sine 318.47
E 1000 0.5
1
Half-sine 318.47
F 5000 0.5
1
Half-sine 477.70
G 50 10 Sawtooth 250.00
H 75 6 Sawtooth 225.00
I 100 6 Sawtooth 300.00
IPC-TM-650
Number
3.8
Subject
Mechanical Shock, Connectors
Date
7/75
Revision
A
Page3of5