IPC-TM-650 EN 2022 试验方法.pdf - 第789页
6.0 Notes 6.1 Acceptance criteria shall be established as the maxi- mum level at which stable electrical contact is maintained. This resistance is an inherent characteristic of any given con- nector contact design and is…

1.0 Scope
1.1
To evaluate the contact resistance of electrical contacts
where the applied voltage and current are low.
2.0 Reference Documents
2.1
Information in this section is intended to parallel the test
method described in EIA-RS-364/TP-23.
3.0 Test Specimen
3.1
The mated contacts of a connector mounted and, when
required, terminated in its normal manner or a mated pair of
individual contacts.
NOTE:
When mated contact pairs, not requiring housings,
are tested, they shall be rigidly mounted in a fixture to provide
mechanical stability and to insure proper mating and orienta-
tion.
3.2 Voltage connections shall be attached permanently by
soldering, crimping, or wire-wrapping as appropriate and shall
be positioned as follows:
A. Wire Hole — On the contact within 1/8 inch of insulator.
B. WrapPost — On the wrap-post adjacent to the outer turn
of wire.
C. Crimp — Crimped to the contact simultaneously with the
current lead.
D. Solder Tab — On the printed wiring traces as close to the
termination as practicable.
E. Press-Fit — On the pad of the plated-through hole as
close to the termination as practicable.
If the pad of the printed wiring board constitutes one-half of
the mated contact pair, the voltage connection shall be sol-
dered to the pad immediately adjacent to, but not touching,
the mating contact.
NOTE:
In case of environment resistant (sealed) connector,
the voltage connections shall be attached as close to the seal-
ing grommets as practicable.
3.3 Unless otherwise specified in the individual contact or
connector specification, the test samples shall not be cleaned
by any means prior to the test nor shall any lubricants or other
coatings be applied.
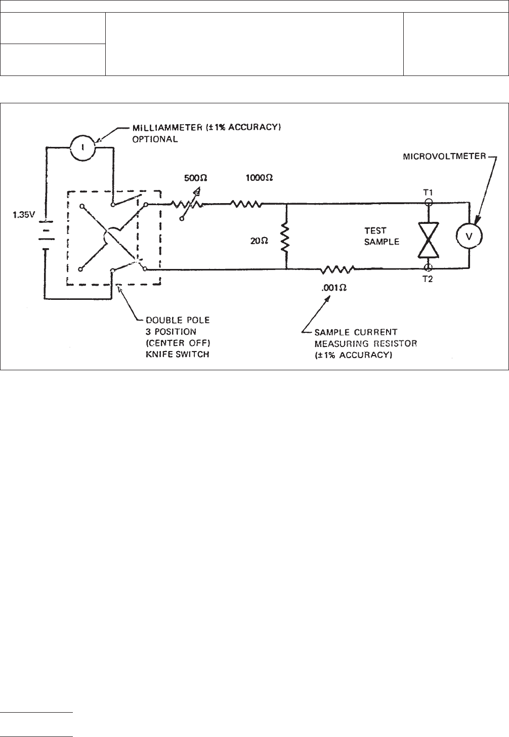
4.0 Apparatus
4.1 Microvoltmeter
The meter accuracy shall be such that
the voltage value is measured within 2 percent.
4.2 Milliammeter (optional) The meter accuracy shall be
such that the current value is measured within 2 percent.
4.3 0.001 OHM resistor accurate to ± 1 percent.
4.4 Power supply capable of delivering 1 milliampere at 1.35
volts DC potential.
5.0 Procedure
CAUTION:
THE CONTACTS UNDER TEST SHALL NOT BE
SUBJECTED TO A POTENTIAL GREATER THAN 20 MILLI-
VOLTS DC (OR 20 MILLIVOLTS PEAK AC) EITHER PRIOR TO
OR DURING THE TEST.
5.1 The low level test shall be conducted using a circuit
comparable to that shown in Figure 1, which will deliver a one
(1) milliampere sample current when the variable resistor is
adjusted to provide a 20 millivolt open circuit potential
between TI and T2. The 3-position switch shown in Figure 1
shall be opened before each measurement to zero the voltme-
ter.
NOTE:
The total resistance between points T1 and T2 shall
be less than 100 milliohms.
5.2 The voltage drop across each pair of mated contacts
with the current successively in both directions through the
test specimen shall be measured. The contact resistance shall
be calculated, in both the forward and reverse direction, by
dividing the voltage drop reading by the current reading. The
average of the two resistance values thus obtained for each
contact shall not exceed the maximum allowable contact
resistance as defined in the individual contact or connector
specification.
2215 Sanders Road
Northbrook, IL 60062-6135
IPC-TM-650
TEST METHODS MANUAL
Number
3.7
Subject
Low Level Circuit Connectors
Date
7/75
Revision
A
Originating Task Group
N/A
Material in this Test Methods Manual was voluntarily established by Technical Committees of the IPC. This material is advisory only
and its use or adaptation is entirely voluntary. IPC disclaims all liability of any kind as to the use, application, or adaptation of this
material. Users are also wholly responsible for protecting themselves against all claims or liabilities for patent infringement.
Equipment referenced is for the convenience of the user and does not imply endorsement by the IPC.
Page1of2
ASSOCIATION CONNECTING
ELECTRONICS INDUSTRIES

6.0 Notes
6.1
Acceptance criteria shall be established as the maxi-
mum level at which stable electrical contact is maintained.
This resistance is an inherent characteristic of any given con-
nector contact design and is (when the connector is properly
applied) well below that resistance level required for circuit
function.
IPC-3-7-1
Figure 1
IPC-TM-650
Number
3.7
Subject
Low Level Circuit Connectors
Date
7/75
Revision
A
Page2of2

1.0 Scope
1.1
To determine the effect on the connector of the stresses
produced by transient acceleration or deceleration forces
resulting from handing, transportation, or field operation.
2.0 Reference Documents
2.1
Information in this section is intended to parallel the test
method described in EIA-RS-364/TP-27.
3.0 Test Specimen
3.1
A connector (plug and receptacle) complete with appli-
cable guide, keying, and engaging hardware or a card- edge
receptacle and mating nominal-thickness printed circuit
board.
3.2 Mounting and Termination
3.2.1 Right Angle, Two-Piece Connector
The receptacle
shall be mounted and terminated normally during this test;
receptacles designed for mounting on non-rigid bases (e.g.,
motherboards, metal-plate back panels, etc.) shall be
mounted on the smallest section of such a base that will
accommodate the test specimen. The plug shall be termi-
nated normally during the test and shall be mounted on a
nominal-thickness printed circuit board extending the full
width of the plug; the board shall extend a minimum of four
inches from the receptacle when the connector is mated.
3.2.2 Card-Edge Receptacle The receptacle shall be
mounted and terminated normally during this test (see 3.2.1).
The mating printed circuit board shall extend the full width of
the receptacle and shall extend a minimum of four inches from
the receptacle when mated.
3.2.3 Parallel, Two-Piece Connector The receptacle and
plug shall be terminated normally during this test; both com-
ponents shall be mounted on nominal-thickness printed circuit
boards extending the full width of each. The printed circuit
boards shall extend a minimum of four inches from each com-
ponent when the connector is mated.
3.3 Fixturing
3.3.1 Right Angle Connector
The test specimen shall be
held in an adequate resonant free fixture. (Figure 1, Reference
Example.)
3.3.2 Parallel Connector The test specimen shall be held
in an adequate resonant free fixture. (Figure 2, Reference
Example.)
3.4 The connector shall be wire (or printed circuit boards)
designed such that a continuous electrical circuit (comprising
all contacts in series) is formed when the plug (or board) and
receptacle are mated.
4.0 Apparatus
4.1
A shock machine capable of producing the specified
input shock pulse as shown in Figures 3 and 4. The machine
may be of a free- or accelerated-fall, resilient rebound, non-
resilient, hydraulic or pneumatic actuated, or other type.
4.2 A shock measurement system consisting of an accelera-
tion sensitive transducer (accelerometer) and appropriate
impedance matching, amplifying and recording instrumenta-
tion. The entire system shall exhibit a frequency response
within the limits shown in Figure 5.
4.2.1 A piezoelectric accelerometer used as the transducer
shall have a minimum fundamental resonant frequency of 14
KHz (a resonant frequency >30 KHz is recommended). For
suitable low frequency response, the RC time constant of the
accelerometer and its load shall be
RC >0.2 where: R – load resistance (ohms)
C – accelerometer capacitance, plus
shunt capacitance of the load and
the inter-connecting cable (farads)
4.2.2 A strain gage accelerometer used as the transducer
shall have a minimum undamped natural frequency >1500 Hz,
with damping from 0.64 to 0.70 of critical.
2215 Sanders Road
Northbrook, IL 60062-6135
IPC-TM-650
TEST METHODS MANUAL
Number
3.8
Subject
Mechanical Shock, Connectors
Date
7/75
Revision
A
Originating Task Group
N/A
Material in this Test Methods Manual was voluntarily established by Technical Committees of the IPC. This material is advisory only
and its use or adaptation is entirely voluntary. IPC disclaims all liability of any kind as to the use, application, or adaptation of this
material. Users are also wholly responsible for protecting themselves against all claims or liabilities for patent infringement.
Equipment referenced is for the convenience of the user and does not imply endorsement by the IPC.
Page1of5
ASSOCIATION CONNECTING
ELECTRONICS INDUSTRIES